鉅大鋰電 | 點擊量:0次 | 2018年05月03日
鋰電池保護板好壞的檢測方法
鋰電池保護板簡介
鋰電池保護板是對串聯鋰電池組的充放電保護;在充滿電時能保證各單體電池之間的電壓差異小于設定值(一般±20mV),實現電池組各單體電池的均充,有效地改善了串聯充電方式下的充電效果;同時檢測電池組中各個單體電池的過壓、欠壓、過流、短路、過溫狀態,保護并延長電池使用壽命;欠壓保護使每一單節電池在放電使用時避免電池因過放電而損壞。
鋰電池保護板的工作原理
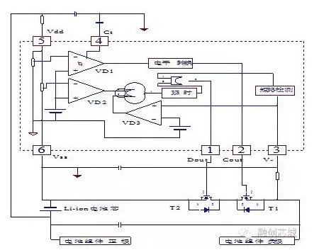
保護板的工作原理圖:

如圖中,IC由電芯供電,電壓在2v-5v均能保證可靠工作。
1、過充保護及過充保護恢復
當電池被充電使電壓超過設定值VC(4.25-4.35V,具體過充保護電壓取決于IC)后,VD1翻轉使Cout變為低電平,T1截止,充電停止。當電池電壓回落至VCR(3.8-4.1V,具體過充保護恢復電壓取決于IC)時,Cout變為高電平,T1導通充電繼續,VCR必須小于VC一個定值,以防止頻繁跳變。
2、過放保護及過放保護恢復
當電池電壓因放電而降低至設定值VD(2.3-2.5V,具體過充保護電壓取決于IC)時,VD2翻轉,以短時間延時后,使Dout變為低電平,T2截止,放電停止,當電池被置于充電時,內部或門被翻轉而使T2再次導通為下次放電作好準備。
3、過流、短路保護
當電路充放回路電流超過設定值或被短路時,短路檢測電路動作,使MOS管關斷,電流截止。
鋰電池保護板常見故障
1、無顯示、輸出電壓低、帶不起負載
2、不充電
3、無內阻、內阻大
4、無電阻
5、過流大
6、不解碼

鋰電池保護板好壞檢測
一、確保采樣線(排線)接法正確。
以7串電池8pin線做個示例
B-線接電池總負極
B1線接第1串電池正極
B2線接第2串電池正極
B3線接第3串電池正極
B4線接第4串電池正極
B5線接第5串電池正極
B6線接第6串電池正極
B7線接第7串電池正極
PS:7串電池第7串的電池正極也是總正極,同理可類推到任何串電池組上。


二、通過萬用表確定電池排線接線正確
1、通過用萬用表黑色表筆壓住B-線端子和萬用表紅色表筆壓信B1線端子,得到第1串電池電壓是3.584V。
2、通過用萬用表黑色表筆壓住B1線端子和萬用表紅色表筆壓信B2線端子,得到第2串電池電壓是3.584V。
3、通過此方法測量,得出:
第1串電池電壓:3.584V
第2串電池電壓:3.584V
第3串電池電壓:3.585V
第4串電池電壓:3.585V
第5串電池電壓:3.583V
第6串電池電壓:3.583V
第7串電池電壓:3.584V
此7串電壓都是3.58V,排線接線正確,而且電池電壓相差低于0.002V,電池一致性好。PS:電池每串電壓應是:三元鋰電壓在3.0-4.2V;磷酸鐵鋰電壓2.0-3.6V左右;鈦酸鋰在1.5-2.75V左右。如果有任何一串電壓相差超過2V,則表明排線接錯,需要重新接線。




三、測量電壓正常后,將排線插上保護板,測量保護板B-和P-之間的電阻,電阻是0,則說明他們之前暢通無阻,保護板是好的。


四、或者可通過接上B-線,測量B-和電池總正極的電壓和P-和電池總正極的電壓。電壓一致,說明保護板正常(保護板相當于開關,開關已經打開,電流可安全通過)示例測試得:B-到電池總正極電壓是25.11VP-到電池總正極電壓是25.11V。兩個電壓一致表示保護板正常。如果P-通過大電流放電,會有輕微壓降,保護板發熱(50度左右),屬于正常現象。


檢測鋰電池保護板的注意事項
1、測量每串電壓時表筆放正確,碰到一起會短路冒煙
2、接保護板時,一定要先接好排線再插好保護板,插好好保護板接可能導致燒壞保護板
下一篇:鋰電池三元材料的專利技術簡單介紹










